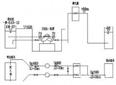
水环式真空泵的结垢原因及防范措施 2018-07-04 新闻动态 by 深圳立德特色农产品开发有限公司 水环式真空泵是瓦斯抽放泵站主要工具,担负着提全矿抽放瓦斯重要任务,水环式真空泵在煤矿占有举足轻重的地位。... 查看详细 深圳立德特色农产品开发有限公司举行白坭新厂区正式投产揭牌仪式 2018-07-01 新闻动态 by 深圳立德特色农产品开发有限公司 今天是中国共产党成立97周年,举国上下进行了各种形式的庆祝活动。在这个伟大的日子里,深圳立德特色农产品开发有限公司白坭厂区正式投产。... 查看详细 水泵安装好仍漏水,啥原因? 2018-06-30 新闻动态 by 深圳立德特色农产品开发有限公司 造成水泵安装好仍漏水的原因:法兰接口有漏液;电机在运转但打不出水。... 查看详细 循环水泵汽蚀原因与改造实例 2018-06-29 新闻动态 by 深圳立德特色农产品开发有限公司 深圳立德特色农产品开发有限公司厂浅析循环水泵汽蚀原因与改造实例。... 查看详细 水泵效率下降是什么原因造成的? 2018-06-28 新闻动态 by 深圳立德特色农产品开发有限公司 水泵效率下降是什么原因造成的?下面深圳立德特色农产品开发有限公司为大家简单说明一下水泵效率下降的原因。... 查看详细